
直流式衬氟截止阀
J45F46直流式衬氟截止阀适用于多种浓度的盐酸、硫酸、氢氟酸以及王水、硝酸、各种有机酸、强碱、强氧化剂或浓稀交替、酸碱交替、多种有机浓剂和其它强蚀性介质。
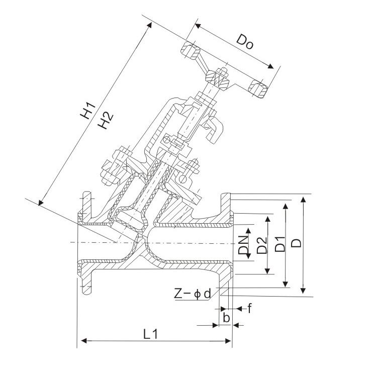
设计规范 | 结构长度 | 连接法兰 | 试验与检验 | 产品标识 | 供货规范 |
GB/T12233 | GB/T 12221 | JB/T 78;JB/T 79 | GB/T 13927 | GB/T 12220 | JB/T 7928 |
序号 | 零件名称 | 灰铸铁 | 铸钢 | 不锈耐酸铸钢 | 超低碳不锈耐酸铸钢 | ||
Z | G | R | PL | PL | |||
1 | 阀体 / 端盖 | HT250 | WCB | CF8 | CF8M | CF3 | CF3M |
2 | 球体 / 阀杆 | 35 | 2Cr18 | 1Cr18Ni9 | 1Cr18NI12Mo2TI | 00Cr18NI10 | 00Cr17NI14Mo2 |
3 | 衬里 / 阀座 | PTFE(F 4 ) 、 PCTFE(F 3 ) 、 FEP(F 46 ) 、 PFA( 可溶性 F 4 ) | |||||
4 | 填料 / 压盖 | WCB | CF8 | CF8M | CF3 | CF3M | |
5 | 填料 | PTFE(F4) | PTFE(F4) | PTFE(F4) | |||
6 | 活节螺栓 | 35 | 1Cr18Ni2 | 1Cr18Ni2 | |||
7 | 阀杆螺母 | ZCuA110Fa3 | ZCuA110Fa3 | ZCuA110Fa3 | |||
8 | 紧固螺栓 | 35 | 1Cr18Ni2 | 1Cr18Ni2 | |||
9 | 螺母 | 45 | 0Cr18NI9 | 0Cr18NI9 | |||
10 | 手 轮 | WCB | WCB | WCB | |||

公称通径 | 标准值 | 参考值 | ||||||||||
DN | NPS | L | D | D1 | D2 | 1 | z- φ d | DO | H | H1 | WT(kg) | |
PN 1.0MPa | ||||||||||||
15 | 1/2 | 180 | 95 | 65 | 45 | 2 | 14 | 4- φ 14 | 100 | 235 | 260 | 6.5 |
20 | 3/4 | 150 | 105 | 75 | 55 | 2 | 16 | 4- φ 14 | 100 | 240 | 265 | 7 |
25 | 1 | 160 | 115 | 85 | 65 | 2 | 16 | 4- φ 14 | 120 | 245 | 270 | 7.8 |
32 | 11/4 | 180 | 135 | 100 | 78 | 2 | 18 | 4- φ 18 | 140 | 255 | 285 | 11 |
40 | 11/2 | 200 | 145 | 110 | 85 | 3 | 18 | 4- φ 18 | 140 | 265 | 315 | 13 |
50 | 2 | 230 | 160 | 125 | 100 | 3 | 20 | 4- φ 18 | 160 | 295 | 330 | 15 |
65 | 21/2 | 290 | 180 | 145 | 125 | 3 | 20 | 4- φ 18 | 180 | 350 | 395 | 23 |
80 | 3 | 310 | 192 | 160 | 135 | 3 | 22 | 4- φ 18 | 240 | 395 | 445 | 38 |
100 | 4 | 350 | 215 | 180 | 155 | 3 | 22 | 8- φ 18 | 240 | 450 | 490 | 42 |
125 | 5 | 400 | 245 | 210 | 185 | 3 | 24 | 8- φ 18 | 280 | 525 | 555 | 55 |
182 | 6 | 480 | 280 | 240 | 210 | 3 | 24 | 8- φ 18 | 320 | 605 | 646 | 77 |
200 | 8 | 495 | 335 | 295 | 165 | 3 | 26 | 8- φ 23 | 360 | 645 | 765 | 135 |
250 | 10 | 622 | 390 | 350 | 320 | 3 | 28 | 12- φ 23 | 400 | 685 | 805 | 220 |
300 | 12 | 698 | 440 | 400 | 368 | 4 | 28 | 12- φ 23 | 400 | 710 | 414 | 277 |
350 | 14 | 787 | 500 | 460 | 428 | 4 | 30 | 16- φ 23 | 450 | 750 | 855 | 320 |


